欢迎光临湖北有限公司
全国服务热线:
88888888060
导航菜单
导航菜单
首 页
关于我们
公司简介
企业文化
产品展示
直齿减速机
斜齿减速机
精密换向器
中空旋转平台
谐波减速机
AGV舵轮
新闻资讯
新闻中心
下载中心
帮助文档
文件下载
企业相册
客户案例
合作伙伴
留言反馈
联系我们
联系我们
您的位置:
首 页
>
产品展示
>
中空旋转平台
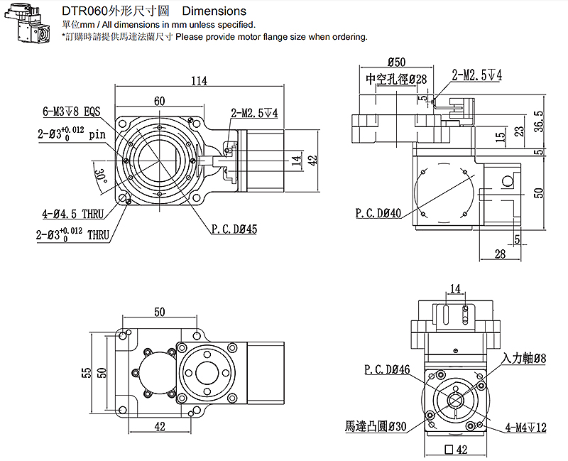
> DTR系列
DTR系列
Prev
Next
DTR系列
在线订购
上一个:
DTS系列
下一个:
DRS系列
推荐产品
斜齿行星减速机
直齿行星减速机
谐波减速机
导航栏目
直齿减速机
PLF系列
PLE系列
ZPLF系列
ZPLE系列
ZPT系列
斜齿减速机
AF系列
AL系列
AH系列
ZAF系列
ZAL系列
ZAH系列
精密换向器
ZB系列
ZK系列
ZT系列
ZH系列
中空旋转平台
DTN系列
DTS系列
DTR系列
DRS系列
DRT系列
谐波减速机
AGV舵轮
XZS
新闻中心
首页
手机
分类
顶部
关闭
客服2
客服1
用手机扫描二维码
关闭
友情链接